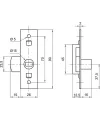
GDF universal thresher
201U
- GDF female rectangle 10X6 mm.
- Quarter-turn rotation.
- Reversible. Galvanized steel.
My order
Buy in our shop

A2Pro
149, Avenue Henri Barbusse
93700 Drancy
Availability: In stock
- Couillet
- 201U
- GDF
GDF universal thresher
Reviews : 0